BIẾN TẦN USFULL
Hướng dẫn cách sử dụng biến tần USFULL
Cách sử dụng biến tần USFULL cơ bản

6 +
Năm kinh nghiệm
30.000 +
Sản phẩm bán ra
1000 +
Khách hàng

BIẾN TẦN - CÁCH CÀI ĐẶT THÔNG SỐ BIẾN TẦN USFULL

Hướng dẫn cài đặt biến tần

Hướng dẫn cài đặt chức năng điều khiển bằng chiết áp và terminal

Sau đây là cách cài đặt biến tần FU9000MD cơ bản nhất cho người mới bắt đầu sử dụng biến tần FU9000MD.

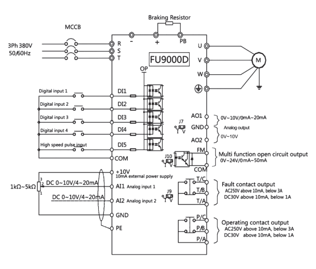
Sơ đồ mạch điều khiển

hướng dẫn sử dụng biến tần

Sơ đồ mạch điều khiển biến tần FU900MD.

Cách chế độ hoạt động trên biến tần

  • Việc chọn lựa cách thức điều khiển biến tần là bước đầu tiên trong việc sự dụng biến tần: có 3 cách điều khiển chính
    1. Điều khiển bằng màn hình trên biến tần.
    2. Điều khiển bằng các chân I/O và chiết áp trên biến tần.
    3. Điều khiển bằng truyền thông thông thường là RS485 Modbus RTU.

    sử dụng biến tần fu9000md

Miêu tả các phím chức năng trên màn hình

  • Biến tần

    Các phím chức năng trên màn hình điều khiển của biến tần
    - PRG/ESC (Programming): Chức năng vào chế độ cài đặt các thông số trên biến tần và thoát chế độ cài đặt.
    - DATA/ENT(Confirm): Chức năng Enter hay còn gọi là chức năng xác nhận các thông số đã cài(Enter).
    - Mũi tên lên và Mũi tên xuống: Chức năng tăng giảm giá trị hoặc tăng giảm các thông số.
    - >>/Shift: Thay đổi thông số hiện thị trên màn hình như Hz -> Vôn-> Dòng điện có thể sự dụng trong trạng thái biến tần chạy hoặc dừng, hoặc thay đổi vị trí cài đặt giá trị theo hàng đơn vị tới hàng nghìn.
    - RUN: Khởi động biến tần chạy khi vận hành.(Tùy cách thức vận hành cụ thể trên biến tần).
    - STOP/RESET: Dừng biến tần khi đang chạy hoặc reset lỗi biến tần khi lỗi xảy ra.
    - QUICK/JOB: Chuyển đổi chức năng theo thông số P7-01 hoặc chuyển đổi chế độ hoạt động theo thông số PP-03. Biến tần USFULL

Cài đặt chế độ hoạt động bằng màn hình trên biến tần.

    Cài đặt các thông số sau:

  • P0-00: Chọn loại tải cần điều khiển với giá trị: Tủy vào tải để chọn giá trị thích hợp.

    1 : Với tải mô men hằng (Tải G).
    2 : Với tải là Bơm hoặc Quạt (Tải P).
  • P0-01: Chế độ điều khiển cho Motor cài đặt giá trị: 0

    0 :Chế độ SVC (Static Var Compensator): có chức năng cải thiện chất lượng điện năng trong hệ thống điện. Chế độ này được sử dụng để duy trì mức điện áp ổn định và kiểm soát dòng điện bị nhiễu hoặc bị sóng hài tác động của biến tần trong mạng lưới điện. Điều này giúp tăng hiệu suất của motor giảm thiểu tối đa công suất phản kháng và công suất vô ích trên motor.
    1 : Chế độ FVC (Flux Vector Control): Chế độ điều khiển vector từ thông ở chế độ này biến tần sẽ kiểm soát chính xác góc quay của trục motor 3 pha dựa vào dòng vào và ra của biến tần. Kết hợp với card encoder phản hồi về có thể kiểm soát chính xác tốc độ quay của mô tơ. Đối với các ứng dụng yêu cầu độ chính xác cao như CNC, Robot công nhiệp...chế độ FVC thường được sự dụng. Chế độ FVC được dùng để điều khiển cả 2 loại motor đồng bộ (Motor Servo) và không đồng bộ.
    2 : Chế độ V/F: Ở chế độ này V/F sẽ là hằng số. Khí tần số tăng->điện áp ra cho biến tần tăng.
  • P0-02: Lựa chọn chế độ điều khiển biến tần: Cài đặt giá trị 0

    0: Vận hành biến tần bằng màn hình trên biến tần.
    1: Vận hành biến tần bằng các chân Input và Output trên terminal (chân điều khiển) của biến tần.
    2: Vận hành biến tần truyền thông thông qua chân RS485.
  • P0-03: Lựa chọn cách thức nhập tần số cho biến tần: Cài đặt giá trị 0 nếu dùng màn hình để nhập tần số.

    0: Cài đặt tần số bằng màn hình biến tần, giá trị tần số vẫn được giữ ngay cả khi tắt nguồn biến tần.
    1: Cài đặt tần số bằng màn hình biến tần, giá trị tần số biến tần sẽ bị xóa sau khi tắt nguồn biến tần.
    2: Tần số sẽ được điều chỉnh bằng chần AI1 (Tần số sẽ được điều khiển thông qua chiết áp ngoài (1KΩ ~ 5KΩ)).
    3: Tần số sẽ được điều chỉnh bằng chần AI2 thông qua tín hiệu Analog từ biên ngoài đưa vào 0~10VDC hoặc 4~20mA.
    4: Tần số sẽ được điều chỉnh bằng chần AI3 thông qua tín hiệu Analog từ biên ngoài đưa vào 0~10VDC hoặc 4~20mA.
    5: Tần số sẽ được điều chỉnh bằng xung đưa vào chân nhận xung DI5.
    6: Chế độ điều khiển đa cấp tốc độ (Dựa vào tình trạng ON/OFF của các chân IO trên biến tần)
    7: Chế độ PLC cơ bản.
    8: Chế độ PID
    9: Tần số được điều khiển bằng truyền thông.
    10: Tần số được điều khiển bằng núm tròn xoay trên màn hình biến tần (Giá trị được lưu khi mất nguồn).
    11: Tần số được điều khiển bằng núm tròn xoay trên màn hình biến tần (Giá trị sẽ bị xóa khi mất nguồn điện).
    12: Tần số được điều khiển bằng núm tròn xoay trên màn hình biến tần với độ phần giả 1Hz(Giá trị tăng thấp nhất là 1Hz).
  • P0-08: Tần số cài đặt trước: Mặc định 50Hz

    Giá trị được cài: Với giá trị được cài đặt khi cấp nguồn cho biến tần mặc định sẽ hiện thị tần số này trên màn. Và khi chạy biến tần sẽ chạy từ 0Hz tới giá trị được cài ở thông số P0-08.
  • P0-09: Cài đặt hướng cho mô tơ: Cài đặt giá trị 0

    0: Chiều mặc định của motor 3 pha (Chiều thuận).
    1: Ngược chiều với chiều mặc định của motor 3 pha (Đảo chiều motor).
  • P0-10: Tần số lớn nhất: Giá trị mặc định 50Hz

    Giá trị được cài (50Hz ~ 500Hz): Giá trị tần số lớn nhất mà biến tần có thể chạy, Với giá trị này được ưu tiên ở mức cao nhất khi chạy biến tần.
  • P0-12: Tần số giới hạn trên: Giá trị mặc định 50Hz

    50: Giá trị giới hạn trên tần số biến tần khi chạy (Giá trị tần số lớn nhất khi biến tần hoạt động). Giá trị này được cài trong phạm vi từ P0-14 (Giới hạn dưới) tới P0-10 (Tần số lớn nhất của biến tần).

  • P0-14: Tần số giới hạn hạn dưới: 0Hz

    0: Giá trị giới hạn tần số biến tần thấp nhất khi chạy.

  • P0-17: Thời gian tăng tốc: 20s

    20: Cài đặt giá trị thời gian tăng tốc của biến tần từ lúc khởi động tới khi đặt tần số được cài ở thông số P0-08.

  • P0-18: Thời gian giảm tốc: 20s

    20: Cài đặt giá trị thời gian giảm tốc của biến tần từ tần số đang chạy về tần số giới hạn dưới P0-14.(Hoặc dừng khi nhấn stop)

  • P0-19: Đơn vị thời gian áp dụng cho thời gian tăng/giảm tốc: 0

    0: Đơn vị áp dụng cho thời gian tăng giảm tốc là 1 s.

    1: Đơn vị áp dụng cho thời gian tăng giảm tốc là 0.1 s.

    2: Đơn vị áp dụng cho thời gian tăng giảm tốc là 0.01 s.

Một số thông số giành cho Motor

Đối với công suất mô tơ tương ứng với công suất biến tần những thông số mặc định đã tối ưu nên không cần can thiệp. Tuy nhiên với nhưng Motor công suất nhỏ hơn chúng ta nên cài nhằm mục đích bảo vệ motor trong quá trình sử dụng.

  • P1-00: Lựa chọn loại Motor: 0

    1: Động cơ không đồng bộ thông thường

    2: Động cơ đồng bộ nam châm vĩnh cửu

  • P1-01: Công suất định mức của motor: Giá trị mặc định theo công suất biến tần

    Giá trị cài đặt theo công suất motor (Có thể cài hoặc không cài tùy theo chế độ chảy của biến tần)

  • P1-02: Điện áp định mức của motor

    Giá trị cài đặt mặc định theo mã biến tần.

  • P1-03: Dòng điện định mức của motor

    Giá trị cài đặt mặc định theo mã biến tần (Tủy chỉnh theo yêu cầu người dùng).

  • P1-04: Tần số định mức của motor

    Giá trị cài đặt mặc định theo mã biến tần (Tủy chỉnh theo yêu cầu người dùng).

  • P1-04: Tốc độ quay của motor RPM

    Giá trị cài đặt mặc định theo mã biến tần (Tủy chỉnh theo yêu cầu người dùng).



SẢN PHẨM KINH DOANH

biến tần giá rẻ

Biến tần kinh tế USFULL

plc mitsubishi

Bộ lập trình PLC Mitsubishi

Dattech

Màn hình HMI MCGS

Dattech

Cầu giao khối MCCB IEK

Dattech

Nguồn 24VDC & Rơ le trung gian

Dattech

Phụ kiện cầu đấu

Degson
Mitsubishi
Autonics
IO-Link
Pisco
Himel
SNS AUTOMATION
SNS AUTOMATION

Bạn cần hỗ trợ !

SNS AUTOMATION Với đội ngũ kĩ thuật giàu kinh nghiệm.
Sẵn sàng hỗ trợ khách hàng

Tìm kiếm sản phẩm

Bạn cần tìm kiếm sản phẩm: Biến tần, cảm biến, PLC, phụ kiện ngành điện...
Vui lòng gõ vào đây nhé

Vị trí công ty

Lầu 17 Tòa nhà Sen Hồng A12 QL1A, Bình Chiểu, Thủ Đức, Thành phố Hồ Chí Minh
Dưới lây là liên kết vị trí bản đồ Map

Biến tần

Nhận yêu cầu từ KH

Bạn muốn yêu cầu báo giá
Vui lòng nhập thông tin của bạn gồm: Tên, SĐT, Tên công ty, Mã hàng tại đây